WOER (002130): 0 0 (0%)

27.5kV预制户外终端

应用领域:

应用在电气化铁路用27.5kV牵引供电系统中,安装在27.5kV单相交流交联聚乙烯绝缘电缆户外端头侧,实现与户外高压电器或设备的电气连接

下载手册

1、产品性能满足GB/T28427-2012标准要求。
2、中间接头主体以优质进口液体硅胶为基材,采用高温高压力注射工艺成型,产品具有高弹性、高抗撕、耐老化、抗电晕、耐爬电等优秀性能;结构设计优化、安装工艺精良满足电气化铁路特殊供电环境和运行特点的要求。

3、安装时按照要求处理好电缆本体后,将终端主体用力推套入安装位置即可。

PA视讯在线官网27.5kV预制户外终端.gif


执行标准GB/T28427-2012
额定电压U0     (kV)27.5
工频耐压(5min)  (kV)124
冲击耐压  (kV)250
48kV下局部放电水平(pC)≤5
预制终端主体爬距 (mm)≥1350
适用电缆截面( mm2)150/185/240/300/400

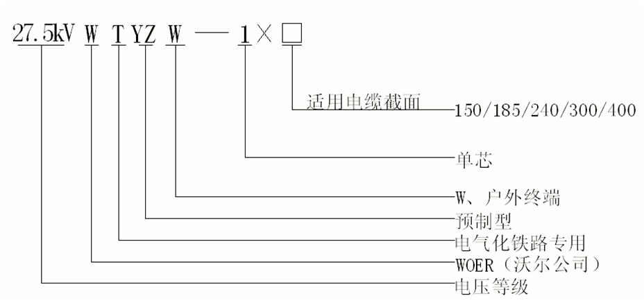
27.5kV预制户外终端选型.gif

返回
Tel: 86 755-28299160